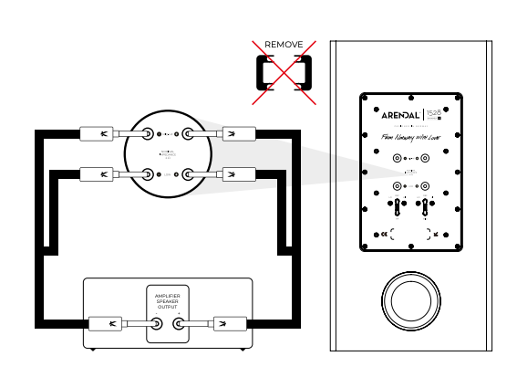
For Bi-Wiring you need to remove the jumpers between the 4 binding posts. The two ends on the speaker side merge into one end on the amplifier side.
Be aware of the correct polarity.
For Bi-Wiring you need to remove the jumpers between the 4 binding posts. The two ends on the speaker side merge into one end on the amplifier side.
Be aware of the correct polarity.
Comments
0 comments
Please sign in to leave a comment.